2001 Mazda Tribute V6 4X4 Engine Diagram

Download 2001 Mazda Tribute V6 4X4 Engine Diagram
Images
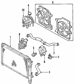
. The diagram shows both with air conditioning and without air conditioning. Is it the water pump 1993 2002 2 5l v6 mazda626 forums.

Mazda Tribute 2001-2011 problems, driving experience, photos
Mazda Tribute 2001-2011 problems, driving experience, photos from www.samarins.com
This economical ute is exactly what we were promised. For important information regarding safe operation of this type of vehicle, see preparing to drive your vehicle in this. The mazda tribute ( code j14 ) is a compact cuv made by japanese automaker mazda since 2001.

Check engine light and hesitation or stumbling while driving on mazda tribute.this is my second egr valve and car is not picking up the right sped and when.

Remove the panel cover to access the fuses. Is it the water pump 1993 2002 2 5l v6 mazda626 forums. It is a 2001 mazda tribute lx v6 with 98000 mile on it. 2008 lotus elise sc 1 serpentine belt.


0 Response to "2001 Mazda Tribute V6 4X4 Engine Diagram"

Post a Comment

Iklan Atas Artikel

Iklan Tengah Artikel 1

Iklan Tengah Artikel 2

Iklan Bawah Artikel